Stránka 1 z 3
Vyskakuje chyba červeného volantu
Napsal: 03 úno 2018, 15:39
od Klvys
zdravím lidi, zničeho nic mi teďka začalo vyskakovat chyba have power steering checked see handbook a svítí červeny volant,jakmile ale auto chcípnu a znova nastartuju tak chyba se už zase neukaže,ale po chvíli třeba odstavce 10min zase jo. Děkuji za rady.
Re: Vyskakuje chyba červeného volantu
Napsal: 07 úno 2018, 17:29
od SpiritWolker
Pozdravujem.
Opravim vam riadenie, alebo mi možte zavolat a ja vam vysvetlim pričinu zavady.
S Pozdravom
Re: Vyskakuje chyba červeného volantu
Napsal: 08 úno 2018, 21:55
od Klvys
Dneska jsem byl kvuli tomu na diagnostice,vypsalo to jen tyhle chyby. Dneska mi to na palubáku nepsalo,ani se nerozsvítil volant.
Re: Vyskakuje chyba červeného volantu
Napsal: 08 úno 2018, 22:44
od SpiritWolker
Ani jedna chyba nema nič spoločne s posilovačom,
U1700 - chyba CAN zbernice - komunikacia medzi rj v aute
riešenie: prečistit všetky konektory ktore spajaju posilovač, ABS, Bodycomputer a ine rj
U0426 - chyba CAN zbernice - komunikacia medzi rj v aute je prerušovana - imobilizer
riešenie: prečistit konektory na poistkovej skrinke v motorovej časti, a aj konektory okolo
pripadne vyskusat vymenit poistkovu skrinku
immobilizer nevie povolit nastartovanie auta kvoli vypadajucej komunikacie
P2299 - Pozícia pedálu brzdy / poloha pedála akcelerátora je nekompatibilná
riešenie: vymena spinača brzdy
Najlepsie je urobit diagnostiku s Multiecuscanom, Delphina neni dobra na Fiat
ak tam piše že je chyba dočasna tak ju netreba riešit, iba ju zmazat a riešit až ked sa uplne pokazy
lebo nie vždy sa najst pričina ked je chyba dočasna
EOBD kódy spoločnosti Fiat
Prvé písmeno je písmeno P, B, C alebo U Odkazujú na: B = karoséria C = podvozok P = pohon U = sieť Prvá číslica za písmenom je typ kódu: 0 = všeobecný 1 = druhá a tretia číslica sú: Subsystémy 1 = Meranie paliva a paliva 2 = Meranie paliva a vzduchu 3 = Systém zapaľovania a výpadky 4 = Pomocná regulácia emisií 5 = Riadenie otáčok vozidla a voľnobežné riadenie 6 = Obvod výstupu počítača 7 = prevodový stupeň 8 = riadenie prevodovky Štvrtá číslica označuje špecifickú poruchu systému.
Re: Vyskakuje chyba červeného volantu
Napsal: 09 úno 2018, 16:29
od liborko
přesně tak,diagnostika Delphi=vyhozené peníze,vypisuje to krávoviny, nejlépe na Bosch či Multiecuscan
Re: Vyskakuje chyba červeného volantu
Napsal: 10 úno 2018, 18:03
od Klvys
Dneska se problem objevil zase u 2 startu a jízd, po zastavení a po chvíli při 3 startu už se to zase nerozsvítílo...
Re: Vyskakuje chyba červeného volantu
Napsal: 10 úno 2018, 20:19
od panaman1
nespekuluj a zavolajaj spiritowi. on to opravi, alebo chod do original servisu kde ti to vymenia cele komplet aj s riadenim za mastnu sumu.
Re: Vyskakuje chyba červeného volantu
Napsal: 10 úno 2018, 23:52
od SpiritWolker
V piatok som bol pozriet Grande ktoremu vypisovalo U1700 immo atd...
Ma vytopenu kablovačku ktora ide z kabíny do poistkovej skrine v motorovom priestore
voda/vlhkost navzlínala po kabloch az do konektoru a je to tam pekny bordel
takisto aj dve konektory pod poistkovou skrinkou, tie spajaju rj motora s kabinou a svetla
teraz je to u servisaka na vysusenie, prečistenie kontaktou a lepsie zaizolovanie kabrlaže
ked zasvieti slnko a presuši tak vsetko ide ok .)
takže to iste všetko na Fiat 500 v motorovom priestore musis prečistit
posilovač určite neni pokazeny podla vypisanych chyb z delphiny,
kedze mu to znova svietilo musi ist k niekomu kto ma diagnostiku Multiecuscan
a prečitat len chyby z posilovača pre potvrdenie
dufam že mu predtym chyby vymazali .)
odkial si? ak si z Brna a okolia tak chod k Vitamilovi
Re: Vyskakuje chyba červeného volantu
Napsal: 11 úno 2018, 00:15
od Vitaml
Z Opatovic asi 110 km.
Re: Vyskakuje chyba červeného volantu
Napsal: 16 úno 2018, 17:36
od SpiritWolker
Pozdravujem .)
S ktorym kablom ste sa pripajali do posilovače? S WLM 327 alebo KKL ?
Tu na stranke Multiecuscanu je zoznam redukci, schema redukci a ktera redujce na co je
http://www.multiecuscan.net/SupportedVehiclesList.aspx" onclick="window.open(this.href);return false;
Tu u Jantolaka se redujce daji kupit
http://www.autodiagnostika.jantolak.sk/ ... ltiecuscan" onclick="window.open(this.href);return false;
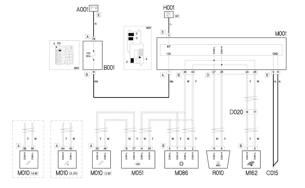
tu je schema can zbrnice

- oXxQJeX_1024.jpg (90.49 KiB) Zobrazeno 15690 x
Re: Vyskakuje chyba červeného volantu
Napsal: 16 úno 2018, 18:02
od Vitaml
Ahoj,
ELM 327, asi si do něj dodělám přepínač, díky.
Jinak jsme vyčistili všechny konektory Bodycomputeru a posilovače, chyba pak nenaskočila, tak uvidíme.
Byla tam chyba komunikace posilovače s Bodycomputerem U1700 v jednotce posilovače, na tu jsem se připojil, na jiné jednotky to chtělo redukci.
Re: Vyskakuje chyba červeného volantu
Napsal: 16 úno 2018, 18:52
od SpiritWolker
Dik za info, radšej si kup redukce za par euro. jsou už hodne levny .) a nespleteš se
Pozeral som na tu schemu, can zbernica pak pokračuje z posiloce cez karoseriu do konektora ABS a pak z ABS pokračuje do ridici jednotky motoru. Takže By som skontroloval konektory v motorovom prosrore na ABS a rj motora, kabelaž se taky sklada z vice kusu kablovych svazku ktere jsou prepojeny konektormi a ty konektory taky rozebrat a prečistit,
Re: Vyskakuje chyba červeného volantu
Napsal: 18 úno 2018, 12:25
od Klvys
Tak po dvou dnech opět vyskočila chyba

Re: Vyskakuje chyba červeného volantu
Napsal: 18 úno 2018, 12:57
od Vitaml
Zkus co píše výše Spirit.
Re: Vyskakuje chyba červeného volantu
Napsal: 18 úno 2018, 15:26
od Klvys
Zase jsem prostříkal všechny tyhle konektory a chyba se furt opakuje,nevím kde by mohly byt další konektory...